
Ferrites moles para indutores têm uma grande variedade de espécies. Núcleos em forma de W, em forma de U, em potes de várias modificações. Esses núcleos também são usados com materiais de ferro em pó. O cálculo das bobinas com qualquer núcleo ferromagnético usa o método de cálculo com um parâmetro especial AL - fator de indutância do núcleo.
A fórmula básica de cálculo:
L - indutância (nH)
AL - fator de indutância do núcleo (nH/voltas ao quadrado)
N - número de voltas da bobina
O parâmetro AL pode ser encontrado nas especificações do fabricante para cada espécie de núcleo.
Ferritas macias encontraram aplicação em todos os tipos de dispositivos indutivos.
A configuração do núcleo fornece um alto grau de autoblindagem.
Ele também facilita a abertura para aumentar a utilidade de uma variedade de designs magnéticos.
As ferrites macias oferecem uma escolha em materiais que permite que os núcleos sejam usados em várias aplicações acima de 100 MHz. A bobina enrolada é envolvida pelo núcleo de ferrite, os núcleos P apresentam baixo vazamento magnético. Esses núcleos de ferrite podem ser ajustados de forma fácil e precisa para os requisitos mais diversos de indutores.


|
TIPO DE NÚCLEOS |
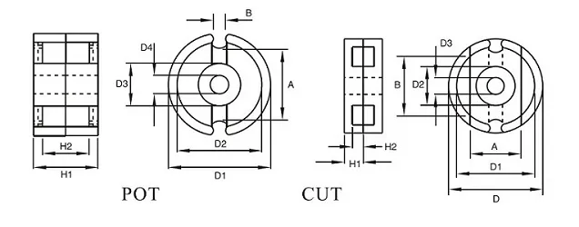
Dimensões (mm) | Parâmetro Efetivo | ||||||||||||
| A | B | D1 | D2 | D3 | D4 | H1 | H2 | C1 (milímetro-1) | Ae (mm2) | Le(mm) | Ve(mm3) | AL±25%(nH/N2) | Peso (g) | |
| P0704 | 5.5±0.2 | 1.6±0.3 | 7.4-0.4 | 5.8+0.25 | 3-0..2 | 1.4+0.1 | 4.2-0.2 | 2.8+0.2 | 1.43 | 7.0 | 10.0 | 70 | 460 minutos (HQ2K) | |
| P0905 | 6.5±0.25 | 2±0.2 | 9.3-0.3 | 7.5+0.25 | 3.9-0.2 | 2.1±0.1 | 5.4-0.3 | 3.6+0.3 | 1.25 | 10.1 | 12.5 | 126 | 820 minutos (HQ2K) | 1.0 |
| P1107 | 6.8±0.25 | 2.2±0.3 | 11.3-0.4 | 9+0.4 | 4.7-0.2 | 2.1±0.1 | 6.6-0.3 | 4.4+0.3 | 0.96 | 16.2 | 15.5 | 251 | 1070min (HQ2K) | 1.7 |
| P1408 | 9.5±0.3 | 2.7±1.2 | 14.3-0.5 | 11.6+0.4 | 6.0-0.2 | 3.1±0.1 | 8.2+0.3 | 5.6+0.4 | 0.79 | 25.1 | 19.8 | 495 | 1390min (HQ2K) | 3.5 |
| P1811 | 13.4±0.3 | 3.8±0.6 | 18.4-0.8 | 14.9+0.5 | 7.6-0.3 | 3.1±0.1 | 10.6±0.2 | 7.2+0.4 | 0.60 | 43.3 | 25.8 | 1120 | 1970 minutos (HQ2K) | 8.0 |
| ... | ... | |||||||||||||
CARACTERÍSTICAS:
- Perdas baixas
- Baixa perda em ampla faixa de temperatura
- Boa estabilidade em todas as condições de carga
- A geometria autoprotegida isola o enrolamento de campos magnéticos dispersos
- Excelente capacidade de enrolamento
- Bobina e enrolamento de baixo custo
- Montagem Simples
- Boa dissipação de calor
APLICAÇÕES:
- Transformadores Conversores
- Transformadores Inversores
- Indutores de modo diferencial
- Indutores de potência
- Transformadores de potência
- Indutores de Telecomunicações
Tag: ferrites moles, fabricantes de ferrites moles da China, fornecedores, fábrica, núcleo magnético macio, núcleo magnético para luzes de cúpula, núcleo magnético para luzes fluorescentes do cátodo frio, núcleo magnético para wearables, núcleo magnético de ferro, núcleo magnético para engasgar















